
자세한 제품 설명
| 이점: | 고속 | 라벨링 속도 : | 60-200pcs / 분 |
|---|---|---|---|
| 함수: | 접착 스티커 라벨링 | 재료: | 스테인리스 강 |
| 병 유형 : | 자동 원형 병 라벨러 용기 | 신청: | 모든 종류의 원형 컨테이너 용 |
| PLC 브랜드 : | MITSUBISHI (일본) | 서보 라벨링 모터 : | DELTA (대만) |
적포도주 레테르를 붙이는 기계 유리제 포도주 병 레테르를 붙이는 기계, PLC 통제 시스템 미츠비시 상표 레테르를 붙이는 기계
풍모:
1. 가동 : PLC 통제 시스템은 레테르를 붙이는 기계를 운영하게 쉬운 만듭니다
2. 재료 : 레테르를 붙이는 기계의 본체는 SUS304 스테인리스로 만듭니다
3. 구성 : 우리의 라벨 기계는 잘 알려진 일본어, 독일어, 미국, 한국 또는 대만 브랜드 부품을 채택
4. 유연성 : 클라이언트는 프린터와 코드 기계를 추가하도록 선택할 수 있습니다. converyer와의 연결 여부를 선택할 수 있습니다.
기술 매개 변수 :
| 이름 | 고속 슬리브 용 자동 라운드 와인 병 수축 라운드 병 라벨링 기계 |
| 라벨링 속도 | 60-350pcs / 분 |
| 물체의 높이 | 30 ~ 350mm |
| 물체의 두께 | 20 ~ 120mm |
| 라벨 높이 | 5-180mm |
| 라벨 길이 | 25 ~ 300 밀리미터 |
| 라벨 롤러 내경 | 76mm |
| 라벨 롤러 외경 | 420mm |
| 라벨링의 정확성 | ± 1mm |
| 전원 공급 | 220V 50 / 60HZ 3.5KW |
| 프린터의 가스 소비 | 5Kg / m2 (코딩 기 추가시) |
| 라벨링 기계의 크기 | 2800 (L) × 1650 (W) × 1500 (H) mm |
| 라벨링 기계의 무게 | 180kg |
구성
| 아니. | 부품 | 상표 | 수량 |
| 1 | PLC | 미츠비시 (일본) | 1 |
| 2 | 메인 컨버터 | DANFOSS (덴마크) | 1 |
| 4 | HMI | WEINVIEW (대만) | 1 |
| 5 | 서보 라벨링 모터 | DELTA (대만) | 1 |
| 6 | 서보 라벨링 모터 드라이버 | DELTA (대만) | 1 |
| 7 | 컨베이어 모터 | HY (대만) | 1 |
| 8 | 컨베이어 모터 기어 박스 | HY (대만) | 1 |
| 9 | 병 모터 분할 | GPG (대만) | 1 |
| 10 | 병 모터 기어 박스 분할 | GPG (대만) | 1 |
| 11 | 모터 속도 조절기를 분리하는 병 | GPG (대만) | 1 |
| 12 | 스포크 모터 | GPG (대만) | 1 |
| 13 | 스포크 모터 기어 박스 | GPG (대만) | 1 |
| 14 | 물체 감지 마법의 눈 | OMRON (일본) | 1 |
| 15 | 광섬유 | OMRON (일본) | 1 |
기계 세부 사항 :

32 개의 주요 라벨링 기계 부품

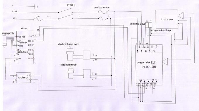
회로도

자주하는 질문:
1. 라벨에 거품이 생김
원인:
① 껍질 벗기기 보드가 좋지 않거나 평평하지 않다;
② 쟁기 보드가 좋지 않거나 평평하지 않습니다.
③ 라벨링 출력이 너무 빠르거나 조립 라인의 속도가 너무 느립니다.
④ 라벨이 너무 느슨해 짐
해결책 :
① 평평한 껍질 벗기기 보드를 변경합니다.
② 평평한 쟁기 보드를 변경합니다.
③ 라벨링 출력 속도를 늦추거나 조립 라인의 속도를 높입니다.
④ 라벨 벨트에 적절히 충격을가하십시오.
꼬리표: 산업용 라벨링 기계, 유리 병 라벨링 기계









